Da ich im Rahmen des GPS-Projektes/Wetterstation-Projektes wohl nicht um einen ATMega128 herumkommen werde, galt es sich mit dem Gehäusetyp TQFP (thin quad flat package) anzufreunden.

Der erste Gedanke sollte es sein, was man als 
Trägermaterial verwenden möchte. Soll für die Zielapplikation eine Platine 
geätzt werden, so kann man bei einiger Übung beim Belichten und Ätzen die Pads 
darauf vorsehen. Möchte man die Applikation ansonsten z.B. auf Lochraster 
aufbauen, so steht man hier vor der Wahl zwischen einer selbst gefertigten 
Adapterplatine (SMD -> Lochraster) oder dem Kauf einer fertigen Platine.
Ich habe mich für letzteres entschieden, da diese Platinen mit vergoldeten 
Kontakten und Lötstopplack einfacher als ein Adapter Marke Eigenbau zu Löten 
sind.

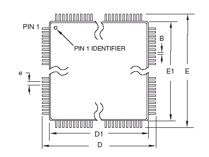
Die für den Anwender aus obiger Grafik (Package ATMega128) wichtigste Größe ist 'e'. Dies kennzeichnet den Abstand zwischen zwei Pins des Package. Beim ATMega128 im TQFP beträgt er 0,8mm - in den Katalogen läuft das unter der Bezeichnung 0,8mm "pitch". Bei Farnell und Conrad erhält man eine solche Platine bspw. unter der Bezeichnung "BE453".
Weiterhin nützlich ist 0,5mm Lot, besser man versucht es gar nicht erst mit stärkerem. Dazu noch etwas Flussmittel, welches unter anderem als Stift erhältlich ist (FLUXI). Zu guter letzt sei noch erwähnt, dass man einen Lötkolben mit feiner Spitze den Vorzug geben sollte. In meinem Fall ein ERSA-Feinlötkolben mit 15W.

Nun zum Löten, was sich einfacher als angenommen gestaltete:
Zunächst bringt man auf eines der 64 Pads 
(vorzugsweise eins an einer Ecke) etwas Lot auf, hier gilt: Weniger ist mehr! 
Danach positioniert man den IC entweder mit einer Pinzette oder einfach mit dem 
Finger, der ATMega128 hat hierfür noch die erforderliche Größe.
Nun geht man mit dem gut vorgeheizten Lötkolben an das Beinchen des IC, unter 
dem sich die dünn aufgebrachte Zinnschicht befindet. Eine kurze Berührung sollte 
reichen (es genügt zunächst das Pad zu berühren, das IC Beinchen kann man in 
Ruhe lassen) um das Zinn kurz zu verflüssigen. Hat man den Lötkolben dann wieder 
entfernt und die Stelle ist abgekühlt, so haftet der IC schon einmal leicht an. 
Vorsichtige Korrekturen in dessen Ausrichtung lassen sich noch vornehmen.
Nun schnappt man sich die gegenüberliegende Ecke und lötet dort ein Beinchen an. 
Diesmal kann/sollte der Lötkolben auch kurz das Beinchen berühren, um einen 
guten Kontakt herzustellen. Danach habe ich mich wieder dem "Startbeinchen" 
zugewendet und dieses endgültig fixiert. Danach kann man der Reihe nach alle 
Beinchen verlöten.
Bemerkenswert war, wie wenig Lot benötigt wird. Zum Teil konnte ich 4-5 Beinchen 
löten, ohne neues Lot aufzunehmen. Es genügte das noch am Lötkolben haftende Lot. 
Vor dem Lötvorgang habe ich die entsprechende Seite des IC immer noch großzügig 
mit dem Flussmittelstift behandelt.
Zum Prüfen der Lötstellen eignet sich eine Lupe geringer Vergrößerung, falls man 
so etwas rum liegen hat, bei mir ging es auch ohne. Hatte ich eine IC-Seite 
komplett gelötet, so habe ich noch etwas Flussmittel aufgebracht und dann den 
Lötkolben noch einmal relativ zügig über alle Lötstellen (hier: 16) gezogen, 
danach sahen die Lötstellen beinahe wie gemalt aus. Überschüssiges Lot bleibt am 
Lötkolben haften.
Zum Schluss noch kurz mit dem Durchgangsprüfer gecheckt, ob jedes Beinchen 
Kontakt zum dazugehörigen Lötauge für die später anzubringende Stiftleiste hat, 
und schon war das erste SMD-IC gelötet.
Nun muss man nur noch entsprechende Kontaktbuchsen an den Adapterplatinen anbringen. Diese lassen sich dann einfach in Kontaktbuchsen stecken, die auf der eigentlichen Platine sein müssen. Beides ist zum Beispiel bei Reichelt erhältlich.
Da das SOP-Gehäuse des LM75 sogar ein größeres pitch (1,27mm) hat, gestaltet sich hier das Löten analog wie oben bereits beschrieben. Die Adapterplatine hierfür läuft unter der Bezeichnung "RE 932 EP".